MARSHALL JCM800 The Voice Of Loud

di Francesco Sicheri
01 aprile 2026
C’era una volta, nell’Inghilterra del 1981, un uomo che amava le automobili veloci. Jim Marshall – James Charles Marshall per il registro parrocchiale, Jim per gli amici – e non aveva mai preso in mano una chitarra elettrica. Jim guidava un’auto con una targa personalizzata: tre lettere e tre cifre, JCM 800. Quel numero di targa diventa il nome di una delle grandi icone della storia del rock. La coincidenza non esiste, diceva qualcuno… Forse no, ma in questo caso, la targa e il suono coincidono perfettamente: entrambi corrono veloci, fanno rumore, e lasciano il segno.

Parliamo del Marshall JCM800: una famiglia di amplificatori che, dal settembre del 1981, ha ridisegnato i parametri sonori del rock e del metal come nessun altro progetto prima. La storia di questo amplificatore è la storia di un'evoluzione intelligente, di un brand che sapeva come reinventarsi pur restando fedele a sé stesso, e di una risposta tecnica precisa a ciò che il rock degli anni Ottanta stava diventando: più veloce, più aggressivo, più saturato.

Quello che rende il JCM800 straordinario non è la rivoluzione circuitale — perché, come vedremo, il circuito esisteva già — ma la maniera in cui questa famiglia di amplificatori...

l'articolo continua...

è riuscita a diventare la grammatica sonora di un'intera epoca. Una lingua franca del volume alto, del punch, del crunch che taglia l’aria più densa. Quando si pensa a Slash, Tom Morello, Mick Mars, Jake E. Lee, KK Downing, Dave Mustaine, Joe Satriani, Steve Stevens… Quando si pensa a Kerry King degli Slayer che rade via le orecchie con Reign In Blood, si pensa al 2203. Quando si pensa a Zakk Wylde, si pensa al 2203. Quando si pensa all'hard rock degli anni Ottanta in tutte le sue declinazioni, dalla NWOBHM al glam californiano, dalla scena del Sunset Strip al rock teutonico, si pensa inevitabilmente a quello stesso rettangolo nero con il piping bianco e la scritta JCM800 sul pannello frontale.

NATO DALLE CENERI DELLA PLEXI
Per capire il JCM800 bisogna fare un passo indietro, fino agli anni Sessanta, per arrivare a quel capolavoro chiamato Plexi, l’opera prima di Jim Marshall. I modelli 1959 Super Lead e 1987 erano macchine brutali e bellissime, capaci di produrre distorsioni celestiali a patto di trattarle senza pietà: volume al massimo, volume al massimo, e ancora al massimo. Per ottenere il suono che si voleva bisognava svegliare i vicini, i coinquilini, e probabilmente anche i morti. Era una condizione accettabile in un'arena da ventimila posti. Molto meno in uno studio di registrazione o in un club da trecento anime.

La soluzione arrivò già a metà degli anni Settanta: nel 1975 Marshall introdusse silenziosamente i modelli Master Volume 2203 e 2204, progettati, secondo la ricostruzione più accreditata, dal tecnico Steve Grindrod. L'idea era elegante nella sua semplicità: inserire un secondo potenziometro, il Master Volume, tra il preamplificatore e la sezione finale, consentendo di saturare il preamp a volumi di uscita più gestibili. Il suono del "Plexi al limite" ora diventava accessibile senza necessitare di un permesso costruttivo per l’insonorizzazione.

Con l’etichetta JMP (Jim Marshall Products), i 2203 e 2204 giravano già da qualche anno quando arrivò il 1981. E il 1981 portò con sé due eventi che cambiarono la storia: la fine dell'accordo distributivo esclusivo con Rose-Morris, che gestiva le vendite Marshall in Gran Bretagna da decenni, e la decisione di rilanciare la gamma con una nuova identità visiva e commerciale. Il risultato fu il JCM800: stessa anima circuitale dei 2203/2204, stessa architettura di fondo… ma con un look radicalmente rinnovato, un nome nuovo, e una strategia commerciale più aggressiva soprattutto sui mercati export.

“Il circuito era esattamente lo stesso. Ma il mondo era cambiato, e il mondo aveva bisogno di saperlo.” Marshall Amplification – [dal manuale d’uso per il modello reissue 2203]

Il pannello frontale dorato a tutta larghezza, il piping bianco intorno alla griglia, il logo ingrandito, la scritta JCM800 in bella evidenza: questo era il nuovo volto di casa Marshall. Un restyling cosmetico che nascondeva – o meglio, valorizzava – un contenuto tecnico già rodato e collaudato. Era un'operazione di marketing brillante, ma non solo: era anche la risposta corretta a un mercato che stava cambiando. Gli anni Ottanta erano alle porte, e con loro arrivava un rock sempre più potente, sempre più distorto, sempre più disposto ad alzare il volume.

LOUD IS “MORE GOOD”
Descrivere il suono del JCM800 è un esercizio letterario tanto quanto tecnico. Le specifiche dicono tutto e non dicono niente. Quello che conta è l'insieme: la risposta dell'amplificatore a chi lo suona, il dialogo tra il tocco e l'elettronica che lo amplifica.
Il 2203 è un amplificatore estremamente dinamico, e tutti sanno che la parola "dinamico", nel mondo delle valvole, ha un significato preciso: l'amplificatore risponde in modo non lineare all'intensità del segnale in ingresso, rispecchiando fedelmente - e amplificandolo - il rapporto tra pennate forti e pennate leggere.
Suonate piano e avrete un suono quasi pulito; suonate forte e l'amplificatore si apre, distorce, ruggisce. Abbassate il volume sulla chitarra di qualche punto e la distorsione diminuisce in modo musicale. Alzate il volume e il suono si gonfia. È questa qualità che rende il 2203 lo strumento preferito di chitarristi con diversi decenni di mestiere sulle spalle: non perdona gli errori, ma premia ogni sfumatura tecnica.

Il carattere timbrico è centrato sul midrange. I JCM800 non hanno i bassi profondi e rotondi di un amplificatore “americano”; i loro bassi sono tonici, stretti, con una presenza che buca nel mix senza occupare le frequenze basse. Le medie sono aggressive e presenti - è quella "voce" che nel gergo chitarristico gli anglofoni definirebbero Bark, il ringhio del 2203 sulle frequenze 500-900 Hz. Le alte sono brillanti e taglienti, con quella luminosità che negli esemplari con il treble peaker originale può diventare quasi fastidiosa a volumi moderati per poi trasformarsi in qualcosa di magico quando l'amplificatore respira a pieno volume.
L'800 non ti fa sconti. Se sbagli, si sente. Se suoni con energia, ti ripaga dieci volte.

La differenza tra EL34 e 6550 merita un capitolo a parte anche nel contesto del JCM800. Con le (valvole) EL34, l'amplificatore ha una compressione più morbida e musicale nella sezione finale, con un midrange cremoso e una saturazione che arriva gradualmente: è il British-sound per eccellenza. Con le 6550, il carattere diventa un filo più americano: più headroom pulito, bassi più coesi, attacco più percussivo e secco. Molti chitarristi metal degli anni Ottanta preferivano le valvole 6550 per questa ragione: un attacco più definito, un suono più "teso" che si traduce in riff più precisi e incisivi.

IL CUORE DELLA BESTIA
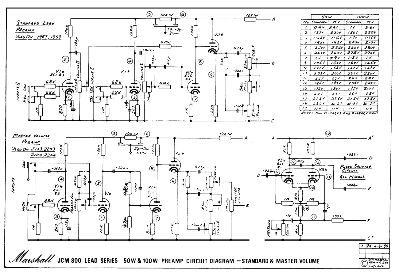
Se si dovesse scegliere un solo modello per rappresentare il JCM800, sarebbe il 2203: la testata monocanale da 100 watt, l'amplificatore che più di ogni altro è diventato sinonimo di "suono Marshall degli anni Ottanta". Capire il 2203 significa capire tutto il resto.

Il preamp
Il preamplificatore del 2203 è un capolavoro di semplicità. Tre valvole ECC83 (equivalenti alle 12AX7) costruiscono la catena di guadagno che genera il suono. Il percorso del segnale è un itinerario di trasformazioni progressive, ognuna delle quali aggiunge uno strato di colore timbrico. Il primo stadio di guadagno – V1A, la metà sinistra della prima valvola – riceve il segnale della chitarra attraverso il jack di ingresso.

Per essere chiari, si dice “la metà sinistra della prima valvola”, perché una ECC83 (o 12AX7) non va pensata come un unico elemento di amplificazione, ma piuttosto come un piccolo sistema “doppio” racchiuso nello stesso involucro. All’interno del bulbo, infatti, convivono due triodi distinti, completamente indipendenti tra loro, ognuno in grado di funzionare come un vero e proprio stadio di guadagno. Ciascun triodo è costruito secondo la struttura classica: una griglia, che riceve il segnale in ingresso, un anodo (o placca) da cui il segnale esce amplificato, e un catodo, che completa il funzionamento del dispositivo. È proprio questa architettura a rendere possibile l’amplificazione del segnale della chitarra. In termini pratici, quindi, una singola valvola ECC83 equivale a due stadi di amplificazione separati, utilizzabili anche in punti diversi del circuito. Per orientarsi, si usa una convenzione semplice: i due triodi vengono identificati come A e B. Così, quando si legge V1A sul circuito, si fa riferimento al primo triodo della prima valvola, mentre V1B indica il secondo triodo contenuto nella stessa ECC83.

In V1A si trova una resistenza di anodo da 100 kΩ, una resistenza di catodo da 2,7 kΩ con un condensatore di bypass da 0,68 µF, e un condensatore di accoppiamento in uscita da 22 nF. Il bypass sul catodo è cruciale: enfatizza l'attacco e la brillantezza, taglia le basse frequenze, prepara il segnale a saturare negli stadi successivi. È qui che nasce la base del Marshall-crunch.
Il segnale poi passa al potenziometro di Volume (Gain), circa 1 MΩ logaritmico, e da lì al secondo stadio V1B. Questo triodo lavora con una resistenza di catodo da 10 kΩ senza condensatore di bypass: una configurazione che Marshall chiama "cold clipper", o stadio di clipping a freddo. La resistenza alta introduce un clipping asimmetrico – una semionda viene distorta più dell'altra – generando un profilo armonico ricco di armoniche pari, quelle che l'orecchio umano percepisce come calde, musicali, quasi vocaliche. È la firma sonora del 2203, il segreto di quella distorsione che si percepisce come organica anche quando è spinta al limite.
Dopo V1B, il segnale passa attraverso un cathode follower che pilota il tone stack (bassi, medi, alti, presence) e infine raggiunge il Master Volume prima del phase inverter. Questo potenziometro è la chiave della versione Master Volume del JCM800: consente di saturare completamente il preamp e poi attenuare il segnale prima che arrivi alla sezione finale, ottenendo distorsione di preamp a qualsiasi volume di uscita desiderato.

La sezione finale: EL34 contro 6550
La sezione finale del 2203 impiega quattro valvole EL34 in configurazione push-pull per un'uscita nominale di circa 115 watt RMS a clipping, o due EL34 per il 2204 da 50 watt.
Nel push-pull il segnale non è affidato a una sola valvola: viene diviso in due metà, una per la semionda positiva e una per la negativa. Le valvole lavorano a coppie, una “spinge” e l’altra “tira”, amplificando separatamente le due parti che vengono poi ricombinate nel trasformatore di uscita. Questo sistema permette di ottenere più potenza a parità di valvole, migliorare l’efficienza e ridurre alcune distorsioni indesiderate, mantenendo un buon controllo sulle basse frequenze.
Nel 2203 le quattro EL34 operano pertanto in classe AB. Il phase inverter a "long-tailed pair" è un classico Marshall, derivato direttamente dai modelli Plexi. Il circuito di feedback negativo include il controllo Presence – un potenziometro che regola quante alte frequenze vengono reiniettate nel loop di controreazione – e il classico punto di connessione per la cassa, con selettore di impedenza.

Un capitolo a parte meritano le valvole finali. I JCM800 destinati al mercato americano montavano spesso valvole 6550 invece delle EL34 europee, non per scelta timbrica primaria ma per ragioni logistiche: le 6550 erano considerate più robuste per affrontare le traversate oceaniche e i ritmi dei tour americani. Il risultato sonoro, però, era apprezzabile: le 6550 offrono più headroom, un attacco più percussivo, basse frequenze più coese e compatte. Le EL34, al contrario, portano quella compressione graduale nel midrange, quella saturazione dal carattere riconoscibile che è il cuore del suono Marshall classico. Molti proprietari di JCM con 6550 le hanno sostituite con EL34 in seguito; altri, affascinati dalla botta americana delle 6550, le hanno tenute con fierezza. Due scuole di pensiero all’interno della stessa visione.

LA FAMIGLIA JCM800: UN UNIVERSO DI VARIANTI
Sotto l'etichetta JCM800 convivono almeno tre famiglie circuitali distinte, oltre a diversi combo e alcune varianti particolari. Per chiunque si avvicini a questo mondo, la confusione è dietro l'angolo: parlare genericamente di JCM800 può significare cose molto diverse, e capire le distinzioni è fondamentale, sia per scegliere il proprio strumento, sia per apprezzare la ricchezza di questa gamma.

Standard - 1959 e 1987: Plexi sotto mentite spoglie
I modelli 1959 (100W) e 1987 (50W) rappresentano la continuità più diretta con le Plexi degli anni Sessanta. Due canali, quattro ingressi, due controlli di volume separati, nessun master volume: la filosofia è quella dell'amplificatore che vive o muore in funzione del volume di uscita. La distorsione nasce dalla sezione finale spinta ai limiti; il tocco, la dinamica della pennata, il volume della chitarra sono le uniche variabili che contano.
Questi modelli sono strumenti per puristi: straordinari quando si ha lo spazio e il volume per suonarli come si deve, meno versatili in contesti dove il volume deve essere tenuto a bada. Eppure, si sa, per certi generi restano insuperabili come pedagogia del suono.

Monocanale “master volume” 2203 e 2204: il JCM800 per antonomasia
Il 2203 da 100 watt e il 2204 da 50 watt sono il cuore della famiglia JCM800, quelli che hanno fatto la storia, quelli che si intende quando si dice JCM800 senza ulteriori specifiche. Monocanale, con il Master Volume, preamplificatore in cascata: tutto quello che serve, niente di più. La differenza tra 2203 e 2204 non è solo di potenza: il 2204 tende a far lavorare la sezione finale a volumi leggermente più accessibili, il che significa che chi può permettersi di spingerlo abbastanza trova una risposta più diretta e immediata della sezione finale. Non è un amplificatore silenzioso - nessun Marshall lo è mai davvero - ma è quello che molti chitarristi preferiscono per la gestibilità e il feeling. In studio, il 2204 a volume pieno è un'esperienza difficile da replicare.

Bicanale “split channel reverb” 2205 e 2210: non tutti sono d’accordo
Con i modelli 2205 (50W) e 2210 (100W), introdotti tra il 1982 e il 1983, Marshall fa un passo in avanti o, a seconda dei punti di vista, di lato. Questi amplificatori aggiungono alla formula un secondo canale commutabile via footswitch, un riverbero a molla e, elemento cruciale, dei diodi di clipping nel percorso del canale Lead. I diodi cambiano radicalmente la natura della distorsione: invece del clipping asimmetrico e progressivo delle valvole, i diodi producono un clipping più simmetrico, più secco, con un profilo armonico differente. Più gain disponibile senza bisogno di aiuti esterni, ma con una tessitura percepita da molti come meno organica, meno ariosa. È qui che nasce il dibattito che attraversa ogni discussione sul JCM800: valvole pure contro diodi, “anima contro “praticità”. Per quanto sia una discussione spesso dogmatica, i diodi non sono intrinsecamente peggiori. Molti dei pedali overdrive più amati dalla storia del rock ne fanno largo uso, ma è indiscutibile che il mercato del collezionismo finisca per premiare con forza i modelli in cui il processo di distorsione è interamente valvolare.

Combo: la variante “portatile”
A chi non voleva portarsi appresso una testata e un cab 4x12”, Marshall offriva le varianti combo: il 4010 (1x12”, circuito 2204), il 4103 e il 4104 (2x12”, circuiti 2203 e 2204), e i corrispondenti split-channel 4210, 4211, 4212. Stessa anima delle testate, in un formato più compatto. I combo sono stati storicamente meno apprezzati dai puristi del full stack Marshall, ma sono oggi molto ricercati per i piccoli club, gli studi casalinghi e i chitarristi che vogliono quell’esperienza tanto famosa e venerata. Un fatto molto curioso è che le varianti combo siano state pensate per essere più “agili” da trasportare rispetto allo stack: è sicuramente vero che il peso di una cassa con quattro speaker da 12” sa farsi sentire su qualsiasi schiena, ma chiunque abbia mai dovuto spostare un JCM800 combo in configurazione 2x12” sa molto bene che talvolta poter muovere testata e cabinet separatamente offre di gran lunga un’esperienza più “agile” (se mai lo sia davvero).

Le varianti meno note: Bass, Mini-Stack, e il 4001 Studio 15
La famiglia JCM800 include anche alcune varianti spesso dimenticate: i modelli bass 1986 (50W) e 1992 (100W), con equalizzazione attiva ottimizzata per i bassi; il 2204S, versione mini-stack del 50 watt prodotta tra il 1986 e il 1987; e il rarissimo 4001 Studio 15 (15 watt con valvole finali 6V6), prodotto dal 1985 al 1992 e oggi molto ricercato per la possibilità di saturare la sezione finale a volumi relativamente umani.

MODELLO POTENZA FASCIA DI MERCATO (2026)
2203 — Lead MV head 100W € 1.638 – € 2.492 (esemplari in condizioni originali)
2204 — Lead MV head 50W € 1.499 – € 2.156 (in crescita per la gestibilità)
2205 — Split Channel 50W € 980 – € 1.825 (economici rispetto ai monocanale)
2210 — Split Channel 100W € 911 – € 1.564
2203ZW — Signature Zakk Wylde 100W € 3.279 – € 4.265 (produzione limitata 2002)
4001 Studio 15 15W In ascesa: esemplari originali oltre € 1.200
2203X — Reissue moderna 100W € 1.700 circa per un esemplare nuovo – aggiunge l’FX loop rispetto all’originale

Le rispettive versioni combo possono essere un acquisto estremamente interessante da valutare, in quanto continuano a restare più economiche a causa del peso e della difficile trasportabilità (a dispetto dell’intento originario).

[Fonte: stime basate su "Estimated used value" Reverb.com — snapshot marzo 2026. I valori variano in base a stato, originalità, condizioni e mercato]

MARSHALL MODS: QUANDO IL TECNICO DIVENTA ARTISTA
Nel 2025 Marshall ha introdotto ufficialmente le varianti Modified dei suoi amplificatori, e questo è un evento a dir poco epocale. Il produttore di amplificatori più importante al mondo mette il suo timbro di ufficialità sulle modifiche che per anni tecnici in giro per il globo hanno apportato ai suoi prodotti. Un amplificatore Marshall non è mai stato solo un prodotto di fabbrica. Dalla sua nascita, infatti, il JCM800 è stato il laboratorio preferito di tecnici, liutai, e chitarristi avventurosi che hanno visto nel circuito essenziale e accessibile di questa macchina una piattaforma infinitamente modificabile. Alcune di queste modifiche hanno generato suoni così iconici da diventare esse stesse oggetto di culto.

La “Jose Mod”, high gain per tutti
Se c'è un nome che ricorre ossessivamente in ogni conversazione seria sulle modifiche ai Marshall, è quello di Jose Arredondo. Tecnico messicano/americano con sede in California, inserito nel panorama dei grandi nomi dell’amplificazione (da Mike Soldano a John Suhr, fino a David Friedman e Steven Fryette), José Arredondo occupa una posizione quasi mitologica. Più che un semplice tecnico, viene spesso considerato una figura fondativa, capace di spingere i circuiti Marshall verso una risposta più aggressiva, compatta e ricca di armoniche rispetto a quanto offerto dai progetti coevi.
La sua fama esplode quando viene associato al setup di Eddie Van Halen, ma il lavoro di Arredondo affonda le radici già nella decade precedente. Molti progettisti successivi hanno attinto, direttamente o indirettamente, alle sue intuizioni, contribuendo a diffondere un approccio al gain che ancora oggi rappresenta uno standard di riferimento.

La cosiddetta “Jose Mod” non è un intervento univoco, ma una famiglia di modifiche che agiscono in profondità sul preamplificatore. Il principio cardine è la riorganizzazione degli stadi di guadagno in cascata, con l’aggiunta di una valvola ECC83/12AX7 per ottenere una saturazione più densa, sostenuta e controllata. A questo si affianca l’introduzione di un master volume post-tone stack, soluzione che consente di gestire livelli di distorsione elevati senza dover spingere eccessivamente il finale. In molte varianti compaiono diodi di clipping, utilizzati per aumentare compressione e contenuto armonico, irrigidendo la risposta sulle basse e smussando le alte. Non mancano configurazioni con Variac, ulteriori stadi valvolari o controlli push-pull per attivare funzioni aggiuntive, rendendo ogni esemplare unico. Il risultato è una voce più compatta, con basse più piene e una saturazione continua, che ha influenzato profondamente lo sviluppo dell’amplificazione moderna. Non è un caso che gran parte dei progetti high gain successivi – dai cosiddetti “hot-rod Marshall” fino al filone che porterà al 5150 – si muovano lungo questa direttrice.

Tra gli episodi meno documentati ma più significativi, Dave Friedman ricorda un prototipo sviluppato da José Arredondo con Eddie Van Halen prima del 5150: un amplificatore a due canali, pensato per spingere il circuito Marshall verso territori estremi, descritto come un “Marshall sotto steroidi”. Intravisto tra NAMM e laboratorio, è poi scomparso senza lasciare tracce dopo la morte di Arredondo nel 1994. Resta il sospetto di un anello mancante nella definizione del suono Van Halen. Non a caso, soluzioni come il clipping a diodi – spesso discusse nei JCM800 Split Channel – sono parte integrante della sua mod, che ha influenzato l’intero sviluppo dell’high gain moderno, dal Soldano SLO-100 al Peavey 5150.

Cascading gain stages: più stadi, più fuoco
Una delle modifiche più richieste sui 2203 e 2204 è la cosiddetta “cascata di stadi di guadagno” (cascading gain stages). Il principio è semplice: anziché lasciare il preamp nella sua configurazione originale a due-tre stadi attivi, si aggiunge un ulteriore stadio di amplificazione (spesso convertendo il cathode follower in un triodo di guadagno attivo, o aggiungendo una valvola dedicata), aumentando la distorsione disponibile senza bisogno di un booster esterno. Questo tipo di modifica (mod) porta il 2203 dal territorio hard rock/heavy metal classico verso sonorità più estreme, avvicinandolo al suono dei modelli di fine anni Ottanta come il JCM800 Silver Jubilee 2555 o i successivi JCM900. Il rischio è perdere parte della dinamica e del “respiro” del circuito originale; il vantaggio è avere gain sufficiente per stili moderni senza ausili esterni.

“Friedman Mod”: il futuro dentro il passato
Dave Friedman è oggi uno dei tecnici più rispettati al mondo e il suo nome è sinonimo di Marshall modificati che suonano come dovrebbero suonare, amplificato per mille. La sua modifica, applicata a innumerevoli 2203 e 2204 nel corso degli anni, lavora su più fronti simultaneamente: aumento del gain tramite ricalibrazione dei resistori e dei condensatori chiave, riduzione del rumore di fondo, ottimizzazione della sezione di equalizzazione per una maggiore chiarezza e presenza nel mix. Il risultato è un amplificatore che mantiene il dna Marshall (il punch nel midrange, l'attacco secco, la risposta dinamica) ma spinto a una definizione e un'articolazione che l'originale non aveva. Friedman ha poi tradotto questa filosofia nei propri amplificatori, a partire dal celebre BE-100 (Brown Eye 100) che rappresenta forse la versione più raffinata e moderna del JCM800 modificato. Un BE-100 è, in sostanza, un 2203 che ha frequentato l'università e preso un dottorato in chitarristica applicata.

“High Gain Mod” e la riduzione del treble peaker
Una delle modifiche più discusse nei forum tecnici riguarda il cosiddetto "treble peaker" - un piccolo condensatore (tipicamente 500 pF) nel mixer degli stadi del preamplificatore - che accentua le alte frequenze e dà ai JCM800 quel carattere brillante e tagliente, a volte un po’ troppo tagliente... Ridurre o eliminare questo condensatore ammorbidisce le alte frequenze percepite, rendendo il suono più caldo e adatto a stili che non richiedono quel taglio chirurgico nelle frequenze acute. Analogamente, il "bright cap" sul potenziometro Preamp Volume - circa 470 pF - contribuisce alla brillantezza ai volumi bassi; molti tecnici scelgono di rimuoverlo o ridurlo per ottenere una risposta più lineare. Sono modifiche microscopiche, reversibili, ma spesso decisive per l'adattamento dell'amplificatore a chitarre e stili specifici.

Loop effetti e la modernizzazione inevitabile
Il 2203 originale non aveva un loop effetti. Gli effetti andavano davanti all'amplificatore — un delay prima dell'ingresso di un amplificatore distorto produce ripetizioni a loro volta distorte, il che può essere musicale ma non è sempre quello che si vuole. La soluzione più comune e documentata è l'aggiunta di un loop effetti seriale inserito tra il Master Volume e il Phase Inverter. Nella sua versione più semplice richiede solo un jack di send, un jack di return, e un piccolo circuito buffer per evitare perdita di segnale. In versioni più elaborate si aggiunge un controllo di livello e un circuito di bypass. Questa modifica è stata così popolare che Marshall l'ha incorporata direttamente nella Reissue 2203X, rendendola l'unica vera differenza tra l'originale e la versione moderna. È il segnale più chiaro di quanto questa modifica sia diventata standard nel mondo del JCM800.

800, 900, 2000 LA TRIADE MARSHALL E L'IDENTITÀ PERDUTA
Non si può parlare del JCM800 senza collocarlo nella sequenza evolutiva che lo segue: il JCM900 del 1990 ed il JCM2000 della fine degli anni Novanta. Sono tre amplificatori che rappresentano tre filosofie progettuali, tre risposte diverse alla domanda "cosa vuole un chitarrista rock in questo momento?"

JCM900: l'erede ambizioso che ha deluso i puristi
Quando Marshall introdusse il JCM900 nel 1990, lo presentò come l'evoluzione naturale del JCM800: più gain, due canali, riverbero integrato, loop effetti. Tutti gli elementi che i chitarristi degli anni Novanta dicevano di volere… Il problema fu che, per ottenere quel gain aggiuntivo senza aggiungere valvole e complessità, Marshall scelse la stessa strada dei 2205/2210: diodi di clipping nel percorso del segnale.

I Dual Reverb 4100 e 4500 usavano un ponte di diodi nel canale Lead che, pur fornendo gain abbondante, produceva un clipping simmetrico (entrambe le semionde vengono "tagliate" allo stesso modo) con un profilo più ricco di armoniche dispari, percepito da molti come più "duro", "freddo" e meno organico rispetto al clipping asimmetrico del 2203.
Si aggiunga che le valvole finali 5881 (equivalenti delle 6L6GC americane) andarono a sostituire le EL34 per ragioni di disponibilità a metà anni Novanta. Il risultato è un amplificatore che suona diversamente dal suo predecessore in ogni direzione possibile.
La reputazione del JCM900 ha sofferto per decenni, forse ingiustamente: a volumi alti, con il Master Volume almeno a 5, il Dual Reverb si apre e rivela un carattere aggressivo e funzionale che molti chitarristi degli anni Novanta amavano, band come Green Day e The Offspring ne fecero il pilastro del loro suono, l'eccezione più apprezzata della serie fu il JCM900 SL-X, introdotto nel 1993: eliminava i diodi, aggiungeva un quarto stadio valvolare ECC83, e produceva molta più saturazione affidandosi esclusivamente alle valvole, fattore che riuscì a convincere anche i puristi.

JCM2000: il ritorno alle origini ma con la coscienza sporca
Con il JCM2000 DSL (Dual Super Lead) e TSL (Triple Super Lead), Marshall tentò la sintesi impossibile: un amplificatore completamente valvolare (nessun diodo nel percorso audio, come enfatizzava la scritta All Valve sulle brochure), con due o tre canali indipendenti, molto gain disponibile, e tutte le comodità moderne: loop effetti, riverbero, controllo Deep per i bassi, footswitch multi-funzione.

Il risultato fu un amplificatore ambizioso, ma con alcuni punti deboli che la comunità dei tecnici conosce bene: la costruzione su PCB molto dense causava problemi di bias drift nelle valvole finali: la scheda riscaldata dai cicli termici diventava leggermente conduttiva tra le piste, mandando fuori controllo la polarizzazione e portando le valvole finali al "red plating" (in poche parole valvole incandescenti al punto da poter cuocere una bistecca). Il problema era risolvibile con la "Stable Bias Mod" di Dr.Tube, ma richiedeva un intervento tecnico che molti utenti non erano pronti ad affrontare.

Dal punto di vista sonoro, il DSL100 è un amplificatore capace e versatile: il canale Classic copre il territorio del JCM800 in modo convincente il canale Ultra porta il gain nel territorio del metal moderno, ma va detto che la "personalità" del 2203 - quella voce unica, quella risposta nervosa e immediata al tocco - è difficile da replicare in un circuito più complesso, indipendentemente da quante valvole si usino.

GUIDA PRATICA ALL’ACQUISTO
Il mercato degli amplificatori vintage ha subito una pressione crescente negli ultimi anni: la pandemia ha gonfiato artificialmente i prezzi di molti strumenti analogici, e anche se la bolla è in parte rientrata, il JCM800 - soprattutto nelle versioni monocanale - mantiene un valore solido e in crescita su base decennale. Ecco alcune informazioni da tenere a mente prima di aprire il portafoglio.

Cosa cercare: l'integrità come valore primo
In ottica collezionistica, la parola chiave è "integrità". Un JCM800 originale, con trasformatori originali, pannello originale, valvole sostituite ma non componenti critici della circuiteria, è molto più prezioso di un esemplare che ha subito modifiche non reversibili. Fori sul pannello, trasformatori sostituiti senza conservare gli originali, cablaggi non originali: qualunque intervento che abbia lasciato tracce permanenti riduce il valore collezionistico in modo significativo. Ovvio, ma è sempre bene ricordarlo.
La datazione va sempre fatta incrociando il numero di serie con le caratteristiche fisiche: disposizione dei jack (verticale fino a fine 1984, orizzontale dopo), presenza del DI output (aggiunto nel 1984), numero di condensatori di filtro (ridotto tra 1985 e 1986), aspetto del pannello frontale, codici sui trasformatori. I numeri di modello Marshall non sono mai riferiti all’anno di produzione: "Model 1987" non significa costruito nel 1987, è semplicemente il numero del modello.

I marketplace online come Reverb sono il riferimento globale per i prezzi dell'usato, ma l’Italia è un mercato a sé. Le stime indicano una forbice tra circa €900 per uno split-channel 2210 in condizioni discrete e circa €2.500 per un 2203 in condizioni eccellenti e originali.
Gli esemplari con signature Zakk Wylde (2203ZW) raggiungono quote significativamente superiori (oltre €3.000) per la produzione limitata e il fascino collezionistico. Sui marketplace italiani, la dispersione dei prezzi è ampia: si trovano esemplari sovra-prezzati da proprietari che sperano in acquirenti disinformati e occasioni genuine da chitarristi che cercano liquidità rapida. La regola aurea è: acquistare solo da chi consente un'ispezione tecnica prima del pagamento, o da venditori con feedback verificabili e descrizione onesta delle condizioni.

Cosa aspettarsi dalla manutenzione
Un JCM800 degli anni Ottanta ha tipicamente 35-45 anni di vita. I condensatori elettrolitici di filtro invecchiano fisiologicamente e spesso devono essere sostituiti; i socket delle valvole possono ossidarsi; le saldature su potenziometri e jack si allentano nel tempo; le valvole di preamp vanno verificate. Un intervento di revisione completa da un tecnico competente costa tipicamente tra 150 e 300 euro e può trasformare un amplificatore che "suona strano" in qualcosa di straordinario. È quasi sempre un investimento che vale la pena fare su un esemplare originale. Sui modelli split-channel, una modifica molto popolare è la rimozione dei diodi di clipping dal canale drive, per avvicinarsi al comportamento dei monocanale. Va detto però che l'esito dell’operazione è strettamente dipendente dalla revisione specifica e dal contesto d'uso: non equivale sempre a “meglio”, ma per chi cerca il suono del 2203 e ha trovato solo un 2210, può essere una strada percorribile.

LA REISSUE: IL PASSATO IN FORMA MODERNA
Marshall ha risposto alla domanda del mercato con diverse reissue: la 2203X è la versione moderna del 2203 con un'unica aggiunta rispetto all'originale, un loop effetti in serie con bypass, collocato tra Master Volume e phase inverter. Il circuito dichiarato vuole essere esattamente lo stesso dell'originale, con componenti equivalenti e stessa topologia. È un prodotto eccellente per chi vuole il suono del 2203 senza i rischi dell'usato vintage.

I puristi del circuito punto-punto (la costruzione su turret board a mano tipica degli anni Sessanta) spesso commissionano ricostruzioni custom del 2203: artigiani come Ceriatone e altri ancora offrono chassis JCM800-compatible costruiti in modo tradizionale, più facili da manutenere e modificare, a un costo che riflette la manodopera artigianale. È un mercato di nicchia ma vivace, che testimonia quanto il 2203 sia ancora oggi una piattaforma di riferimento per chi progetta amplificatori.

LA "VOICE OF LOUD" NON SI SPEGNE
Quarantaquattro anni dopo il suo lancio ufficiale, il JCM800 non è un reperto da museo, anzi, è un amplificatore che si vende, si suona, si discute, si modifica, si cura, si sogna.
I suoi prezzi sul mercato dell’usato crescono con costanza, i suoi circuiti vengono studiati, clonati, e re-interpretati di continuo. Perché? Perché un amplificatore nato come restyling cosmetico di un progetto del 1975 continua a dominare l'immaginario sonoro del rock e del metal quasi mezzo secolo dopo?
La risposta è quella che tutte le cose grandi hanno in comune: semplicità e autenticità. Il 2203 non cerca di fare mille cose: ne fa una, benissimo, con una coerenza timbrica che non è mai casuale ma è il risultato preciso di scelte progettuali specifiche. Ogni singola scelta ha una ragione, e l'insieme produce qualcosa di più grande della somma delle singole parti.

La "Voice of Loud" che Marshall ha evocato nel proprio marketing è questa: non il volume come fine in sé, ma la capacità di parlare ad alta voce in modo che nessuno possa ignorarti. È la voce di migliaia di chitarristi anonimi che hanno imparato a suonare davanti a quella griglia nera, quel pannello dorato, quella sigla derivata direttamente dalla targa di un’automobile: JCM800.


Podcast

Album del mese

Neal Morse Band
Lift
InsideOut Music

Dopo Never Been Down This Road, il disco solista di Neal Morse dello scorso anno, l’eclettico cantante, compositore e polistrumentista statunitense, classe 1960, torna con...

Matteo Mancuso
Route 96
Music Theories Recordings/Mascot Group

Il titolo del secondo album di Matteo Mancuso non è così esplicito come quello dell’esordio ("The Journey") ma il senso suggerito è nuovamente quello del...

Elvis
EPiC: Elvis Presley in Concert
Legacy Recordings/RCA Records

Il documentario "EPiC: Elvis Presley in Concert" di Baz Luhrmann raccontare l’artista – il genio, il performer – più che l’icona da poster. ...